Novinky
Zobrazit všechny novinkyBlog
12.02.2026
Elektromateriál
Výpočet průřezu vodiče
Orientační kalkulačka pro výpočet požadovaného průřezu kabelu podle proudu a úbytku napětí.
číst celé
11.11.2025
Elektromateriál
Kabel CYKY-J 3x1,5 mm²: co je a k čemu se používá v elektroinstalaci
Kabel CYKY-J 3x1,5 mm² patří k nejrozšířenějším instalačním kabelům v českých domácnostech i lehké komerci. Je to „základ“ pro světelné okruhy a drobn...
číst celé
10.11.2025
Elektromateriál
Kabel CYKY-J 3x2,5: Vše, co potřebujete vědět o jeho použití v elektroinstalaci
Úvod Kabel CYKY-J 3x2,5 patří v české domovní a lehké komerční elektroinstalaci mezi nejpoužívanější. Většina zásuvkových okruhů 230 V je dimenzována ...
číst celé
Nepropásněte novinky, akce a slevy!
Můžete se kdykoli odhlásit. Zasíláme jednou za 14 dní.
- Úvod
- Hromosvodový materiál
- TREMIS SR 2a ( FeZn ) svorka páska-páska M6 *V108
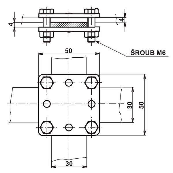
TREMIS SR 2a ( FeZn ) svorka páska-páska M6 *V108
- Kompletní specifikace
- Hodnocení 0
- Produkty kategorie1
TREMIS SR 2a ( FeZn ) svorka páska-páska M6 *V108do 3 pracovních dnů24,00 Kč/ ks19,83 Kč bez DPH
Kompletní specifikace
TREMIS SR 2a ( FeZn ) svorka páska-páska M6 *V108
Použití: Křížové a souběžné spojení zemnící pásky.
Materiál: Žárově pozinkovaná ocel, spojovací materiál pozinkovaný galvanicky.
Produkty kategorie 1
1 hodnocení
34,00 Kč
/
ks
28,10 Kč
bez DPH
34,00 Kč
/
ks
28,10 Kč
bez DPH
do týdne
Zboží zařazeno v kategoriích



