Můžete se kdykoli odhlásit. Zasíláme jednou za 14 dní.
- Úvod
- Průmyslové vidlice a zásuvky TRACON
- Krabicové průmyslové zásuvky s vypínačem na visací zámek Tracon
- Tracon TICS-1252R Nástěnná průmyslová zásuvkas mechanickým blokováním 32A, 400A, 3P+N+E, 6h, IP67
Tracon TICS-1252R Nástěnná průmyslová zásuvkas mechanickým blokováním 32A, 400A, 3P+N+E, 6h, IP67
- Novinka
- Novinka
- Novinka
- Novinka
- Novinka
- Kompletní specifikace
- Hodnocení 0
- Ke stažení
Tracon TICS-1252R Nástěnná průmyslová zásuvkas mechanickým blokováním 32A, 400A, 3P+N+E, 6h, IP67do 3 pracovních dnů2 005,00 Kč/ KS1 657,02 Kč bez DPH
Krabicová průmyslová zásuvka Tracon TICS-1252R je navržena pro náročné provozy, kde je vyžadována spolehlivá ochrana a mechanické blokování pomocí visacího zámku. Robustní provedení s krytím IP67 zajišťuje provoz v prašném i vlhkém prostředí a umožňuje použití i při venkovních aplikacích. Zásuvka nabízí jednoduché a bezpečné připojení vodičů pomocí Závitová svorka a je vhodná pro rozvody s proudem do 32 A a napětím 400 V podle EN 60309‑2 (červená), s konfigurací pólů 3P+N+E. Mechanický zámek umožňuje uzamčení vkládaného konektoru pro bezpečné odstavení zařízení — kompatibilní s běžnými visacími zámky.
Nastavení časovače na 6 h umožňuje řízené vypnutí v průběhu údržby či plánovaných odstávek. Zásuvka je vyrobena z odolného plastu a k montáži využívá Vnější upevnění, což zjednodušuje instalaci na stěnu nebo rozvaděč. Barevné rozlišení červená zvyšuje orientaci v síti a snižuje riziko chybného zapojení. Krytí IP67 garantuje ochranu proti proniknutí prachu a dočasnému ponoření do vody.
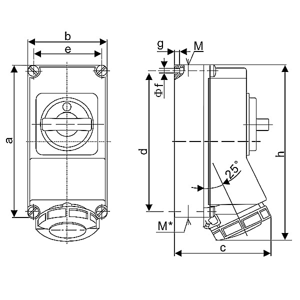
Technické parametry doplňují rozměry přístroje (a: 225 mm, b: 118 mm, c: 144 mm, d: 208 mm, e: 101 mm, f: 6.3 mm, g: 8 mm, h: 274 mm) a dvouletá záruka 2 roky. Instalace by měla provádět kvalifikovaná osoba podle platných předpisů a normy EN 60309.
PARAMETRY
- Více informací
| a (mm) | b (mm) | c (mm) | d (mm) | e (mm) | f (mm) | g (mm) | h (mm) | |||||
| TICS-1252R | 32 A | 400 V | 225 | 118 | 144 | 208 | 101 | 6.3 | 8 | 274 | IP 67 |






